Super Cone Rubber Fenders
Super Cone Rubber Fenders
Super Cones Rubber Fenders are the latest generation of 'cell' fender, with optimal performance and efficiency. The conical body shape makes the cell fenders very stable even at large compression angles, and provides excellent shear strength. With optional overload stops the Super Cone is even more resistant to over-compression.
Features:
1. The energy absorption doubles comparing with the super cell rubber fender with same spec.
2. In the case with similar reaction force and energy absorption, small size come type fender can substitute relative large super cell type fender.
3. In the case of oblique berthing (less than a angle of 10°),the performance cannot be reduced, which is preferred to cell model.
4. In the case of oblique berthing (less than a angle of 10°),the performance cannot be reduced, which is preferred to cell model.
5. The super high density polyethylene pads ate adhered to the frontal frame, which can reduce the friction factor between hull and fender to below 0.2, and can reduce the shear (horizontal force) exerted on fenders when vessel berth, which can prolong the service life of fenders.
6. The frontal frame adopts water-tight structure with high strength and better anti-rust performance.
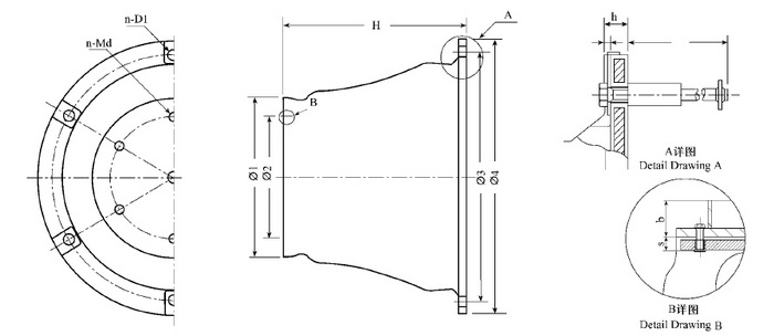
Dimension and Performance:
|
SIZE |
Main Specification |
Superhigh Reaction Force P2 |
High Reaction Force P1 |
Standard Reaction Force P0 | ||||||||||||||||||||
|
52.5% |
55% |
52.5% |
55% |
52.5% |
55% | |||||||||||||||||||
|
H |
h |
Ø1 |
Ø2 |
Ø3 |
Ø4 |
n |
D1 |
Md |
a |
b |
s |
R |
E |
R |
E |
R |
E |
R |
E |
R |
E |
R |
E | |
|
SCN600H |
600 |
27 |
510 |
390 |
810 |
900 |
6 |
30 |
M24 |
5 |
90~110 |
40 |
410 |
139 |
459 |
144 |
320 |
105 |
362 |
62 |
175 |
48 |
185 |
51 |
|
SCN700H |
700 |
32 |
595 |
455 |
945 |
1050 |
6 |
38 |
M30 |
6 |
105~125 |
40 |
560 |
218 |
627 |
226 |
450 |
166 |
508 |
172 |
360 |
129 |
410 |
134 |
|
SCN800H |
800 |
36 |
680 |
520 |
1080 |
1200 |
6 |
44 |
M36 |
7 |
120~140 |
52 |
720 |
324 |
806 |
336 |
570 |
245 |
644 |
255 |
450 |
189 |
513 |
196 |
|
SCN900H |
900 |
41 |
765 |
585 |
1215 |
1350 |
6 |
44 |
M36 |
8 |
135~155 |
55 |
930 |
465 |
1041 |
482 |
740 |
355 |
836 |
369 |
590 |
271 |
672 |
282 |
|
SCN1000H |
1000 |
45 |
850 |
650 |
1350 |
1500 |
6 |
56 |
M42 |
8 |
150~170 |
65 |
1160 |
626 |
1300 |
650 |
920 |
478 |
1040 |
490 |
730 |
365 |
832 |
380 |
|
SCN1100H |
1100 |
50 |
935 |
715 |
1485 |
1650 |
6 |
50 |
M42 |
8 |
165~185 |
65 |
1400 |
826 |
1568 |
858 |
1120 |
638 |
1265 |
664 |
890 |
498 |
1014 |
664 |
|
SCN1200H |
1200 |
54 |
1020 |
780 |
1620 |
1800 |
8 |
50 |
M42 |
10 |
180~210 |
75 |
1650 |
1056 |
1848 |
1097 |
1300 |
806 |
1469 |
839 |
1040 |
624 |
1185 |
650 |
|
SCN1300H |
1300 |
59 |
1105 |
845 |
1755 |
1950 |
8 |
60 |
M48 |
11 |
195~225 |
75 |
1950 |
1346 |
2184 |
1399 |
1560 |
1029 |
1762 |
1072 |
1240 |
793 |
1413 |
827 |
1. Rated delfection: 52.5% and 47.5%; Maximum deflection: 55% and 50%
2. R=Reaction Force (KN); E=Energy Absorption (kN-M)
3. Performance tolerance: +/-10%

Installation:
The Super Cone Rubber Fender system has the highest performance for all the fendering system. It has the similar installation ways with Super Cell Rubber Fender System. The whole system include Cone Rubber Fender body, Frontal Panel equipped with UHMW-PE frontal facing pads, Chains system (tensile chain, weight chain, shear chain).
Meanwhile, the cone fendering system can be installed by two or more fender bodies with one frontal panel horizontally or vertically.
| No. | Description | Application | Material | ||||||
| 1 | Embedded Parts | U ring | Holding chains | Q235Painted,Q235 Hot-galv. | |||||
| 2 | Bolt & nut | Fasten fenders onto dock | Stainless Steel,Q235 Hot-galv. | ||||||
| 3 | Tensile Chain | 1.Limit fender deflection while fender local part under strain | Q235 hot-galv. | ||||||
| Chains | Weight Chain | 2.Support the front panel in avoid of sagging | 15Mn or 20Mn hot-galv. Rubber | ||||||
| Shear Chain | 3.Prevent fender system from shear deflection | ||||||||
| 4 |
Frontal Panel (Frame) |
Reduce surface pressure in avoid of damage of the fender & vessels | Q235paited | ||||||
| 5 |
Face Pad (Frontal Pad) |
Reduce friction coefficient to protect hull | UHMW-PE | ||||||
| 6 |
Connector Components |
Connect the fender & Front panel and Face Pad | Stainless Steel,Q235 Hot-galv. | ||||||
| 7 |
Fender Body |
Absorb ship impact energy to protect dock and vessels | Rubber, Q235 | ||||||
To get more information about Frontal Frame, Face Pad, Chain and Accessories.