Tug Cylindrical Fenders
Cylindrical Tugboat Rubber Fenders 
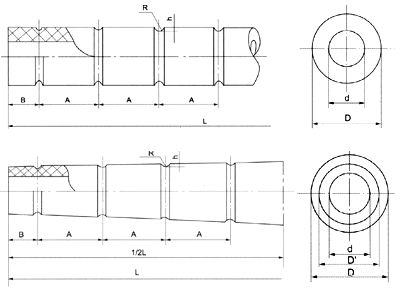
Cylindrical Tugboat Fenders are widely used for the primary fendering system on the bow or stern of most of tugboats and push boats. There are straight cylindrical type and tapered ends type available. Its round shape is flexible for ship-to-ship operation with different type vessels. The Max. length can be to 20m with the joined plug. It’s fixed on by one longitudinal chain through the centre of the fender. Canvas straps or chains also are used to supplement by the grooves.
Tugboat Rubber Fenders include Cylindrical Tugboat fender, extruded rubber fender, M & w rubber fender.
|
Type |
Inner Dia. | Ourter Dia. |
L |
Note | ||
| D | D' | |||||
|
100 | 200 | 500~20000 | Straight Tupe | ||
| Φ300xΦ150 | 150 | 300 | ||||
| Φ400xΦ200 | 200 | 400 | ||||
|
220 | 500 | ||||
|
250 | 500 | ||||
| Φ600xΦ300 | 300 | 600 | ||||
| Φ700xΦ350 | 350 | 700 | ||||
| Φ750xΦ350 | 350 | 750 | ||||
| Φ800xΦ400 | 400 | 800 | ||||
|
200 | 400 | 300 | Taperd Ends Type | ||
| Φ500xΦ400xΦ250 | 250 | 500 | 400 | |||
| Φ600xΦ450xΦ250 | 250 | 600 | 450 | |||
| Φ700xΦ500xΦ300 | 300 | 700 | 500 | |||
|
250 | 750 | 450 | |||
| Φ760xΦ500xΦ300 | 300 | 760 | 500 | |||
| Φ800xΦ600xΦ400 | 400 | 800 | 60 | |||
Note:
1. The specification of A, B can be determined by the user. R15, H30; and R25, H50 are available.
2. Other sizes are available upon customer’s request.
3. Rubber plug is available for easy installation.

